产品
金年汇焊接/搬运专家
始于焊接,不止于焊接
始于焊接,不止于焊接
采用模块化设计,有效降低整机的故障率。
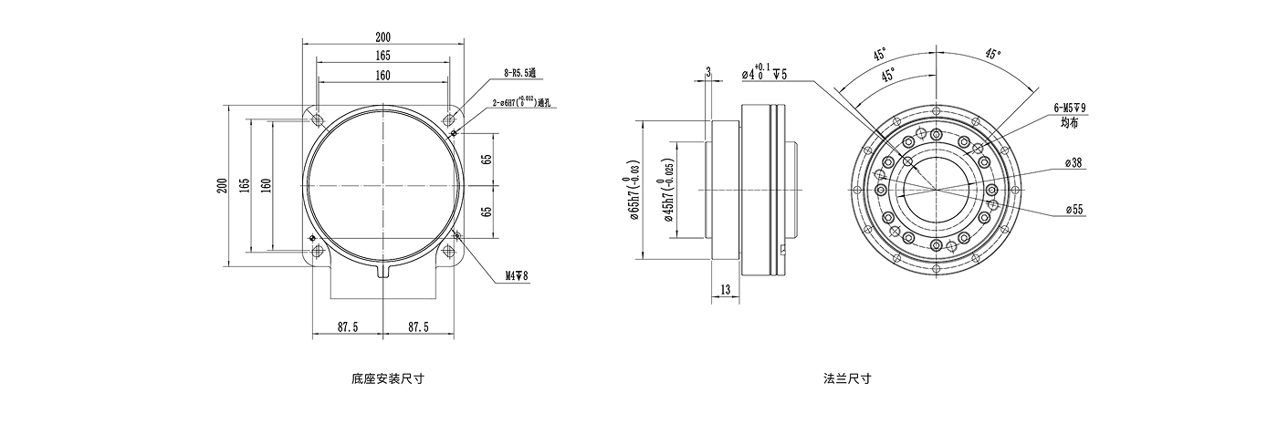
极精设计,方便在狭小的空间使用。
臂长916mm,手腕负载容量大,额定负载7kg,可轻松应对多种应用场合。
较同级别机器人更轻的结构设计,容易安装在应用方案内部或者倒挂安装。
采用高刚性手臂和尖端伺服控制技术,实现高速稳定且平滑的动作性能。
采用本体线缆内置技术,同时为客户提供外置走线固定座,以满足客户定制化需求。
采用全体机密封结构,提升防护等级。
高扩展性,在机器人本体上设置有用户安装平台,便于用户安装固定线缆及相关辅助工装治具。


